FT32F072xB系列作為一款國產32位RISC內核MCU,憑借其強大的性能和豐富的外設功能,正在逐漸成為工程師們的新寵。本文將深入解析FT32F072xB系列(包括KBBU7、C8AT7、CBAT7等型號)的核心特性、系統架構、引腳定義、供電方案以及實際應用案例,幫助讀者快速掌握這款芯片的關鍵信息,為項目選型和開發提供實用參考。
| 型號尾綴 | 封裝 | Flash/SRAM | GPIO | ADC 通道 | DAC/OPA/CMP | 觸摸鍵 | 特色場景 | 參考交期 |
|---|---|---|---|---|---|---|---|---|
| KBBU7 | QFN32-5×5 | 128 k/24 k | 25 | 10+6 int | 2/2/3 | 24 | 超小封裝、TWS 充電倉 | 6 周 |
| C8AT7 | LQFP32-7×7 | 128 k/24 k | 25 | 10+6 int | 2/2/3 | 24 | 低成本、雙面板可走線 | 6 周 |
| CBAT7 | LQFP48-7×7 | 128 k/24 k | 37 | 16+6 int | 2/2/3 | 24 | 兼容 STM32F072 48Pin | 6 周 |
| RBAT7 | LQFP64-10×10 | 128 k/24 k | 51 | 16+6 int | 2/2/3 | 24 | 全功能引出、工業控制 | 6 周 |


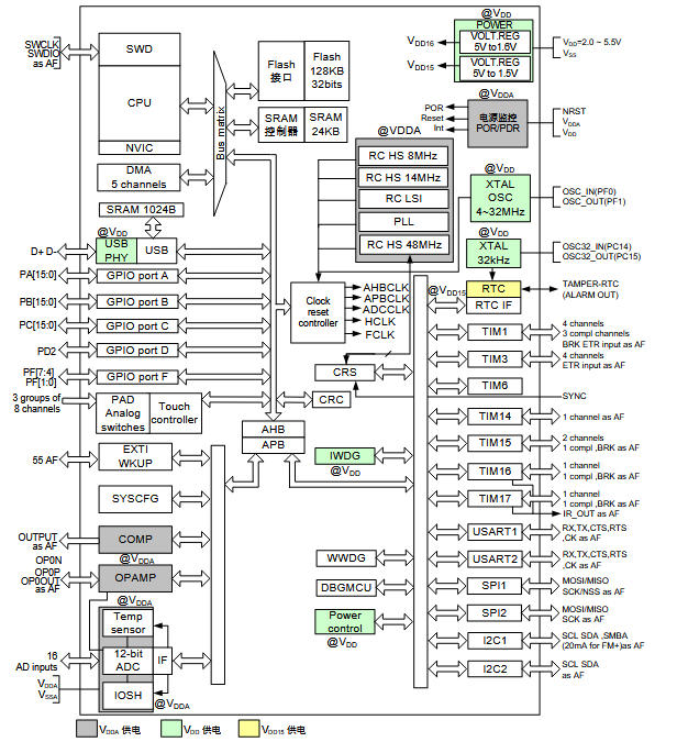
PB6/PB7:I2C1_SCL/SDA,FM+ 模式 20 mA 驅動,1 MHz 長距離上拉 1 kΩ 也能跑。
24 路觸摸按鍵已固定到 PA0~PA7、PB0~PB2、PB10~PB15、PF6/7,無需復用。走線 < 5 cm,包地 0.2 mm,采樣電容 100 nF NPO 貼于背面,靈敏度 3 mm 亞克力 + 0.1 mm 銅箔可穩定 10 級。
PC14/PC15 接 32.768 kHz,負載電容 CL = 12.5 pF 晶體,MCU 內部已含 5 pF,外部再補 15 pF×2 即可,誤差 < 5 ppm,RTC 一天偏差 0.4 s。


→ 48 MHz 內部 RC 精度不夠?打開時鐘恢復系統 CRS,讓 SOF 幀自動校準。
→ 采樣時間 < 0.5 μs,RAIN > 10 kΩ,按公式重新算 Ts;同時把 VDDA 與 VDD 用 0 Ω 電阻單點連接。
→ 把觸控閾值調低 20 %,開啟硬件“雨水抑制”濾波,PCB 鋪地 30 % 網格。
→ Flash 等零等待已超頻,手動插入 1 等待,打開預取;或者把關鍵代碼搬到 SRAM 運行。
→ 必須! datasheet 寫明中心 PAD 是 VSS,否則熱阻 60 ℃/W 變 90 ℃/W,芯片 85 ℃ 降頻。
FT32F072xB系列MCU憑借其高性能、低功耗和豐富的外設功能,正在成為智能設備開發中的熱門選擇。希望上述能夠幫助工程師們在項目開發中更好地利用FT32F072xB系列,實現高效、可靠的智能設備設計。深圳三佛科技提供技術支持,批量價格有優勢~